Bahay> Mga Produkto> PSA hydrogen generator> Ang paglilinis ng hydrogen sa pamamagitan ng teknolohiya ng PSA
Ang paglilinis ng hydrogen sa pamamagitan ng teknolohiya ng PSA

Ang paglilinis ng hydrogen sa pamamagitan ng teknolohiya ng PSA

  • Uri ng Pagbabayad: L/C,T/T
  • Incoterm: FOB,CFR,CIF,EXW
  • Min. Order: 1 Set/Sets
  • Port: Shanghai China
Get Latest Price
    PRODUCT ATTRIBUTES
    Overview
    Mga katangian ng produkto

    Place Of OriginJiangsu, China

    TypeGas purification devices

    Product TypeMachinery

    ConditionNew

    Brand NameXinrui

    Model NumberXRFQ-39-50

    VoltageCan be customized

    Power500W

    Weight1200KG

    Dimension(L*W*H)non-standard products

    Warranty1 Year

    After-sales Service ProvidedEngineers Available To Service Machinery Overseas

    CertificationCE,ISO9001:2008

    Flow Rate50-1000Nm3/hr

    N2 Purity99%-99.99%

    Colorsilver, grey, bule (depends on customers' needs)

    Pagbalot at Paghahatid
    Pagbebenta ng Mga Yunit: Set/Sets
    Uri ng lagayan: Seaworthy Packing
    Overview
    Kakayahang Pantustos at Karagdagang Mga Impormasyon

    PackagingSeaworthy Packing

    Kakayahang Supply15 Set/Sets per Month

    PortShanghai China

    Uri ng PagbabayadL/C,T/T

    IncotermFOB,CFR,CIF,EXW

    Paglalarawan ng Produkto

    Ang paglilinis ng hydrogen sa pamamagitan ng teknolohiya ng swing swing adsorption

    Ang paglilinis ng hydrogen sa pamamagitan ng teknolohiya ng swing swing adsorption

    Pangunahing mga pagtutukoy sa teknikal:
    Paggamot sa Gas: (10-500) NM3/H.
    Pressure ng Adsorption: 0.8MPa-2.4Mpa
    H2 Purity: 99%-99.99%
    Dew Point: -60ºC

     

    Model

    Capacity

    (Nm³/h)

    Feed Gas

    Product gas:nitrogen gas

    Gas source

    Pressure

    (Mpa)

    Dew point

    ()

    Dew point

    (℃)

     Purity

    (%)

    Pressure

    (Mpa)

    Temperature

    XRFQ29

     

     

    5-3000

    Mixed gas of hydrogen and nitrogen from ammonia decomposition and methanol cracking 

     

     

    0.8-2.4

     

     

    -60

     

     

    -60

    99

     

     

    0.7-2.3

     

     

    Ambient temperature

    XRFQ39

    99.9

    XRFQ49

    99.99

    XRFQ59

    99.9999



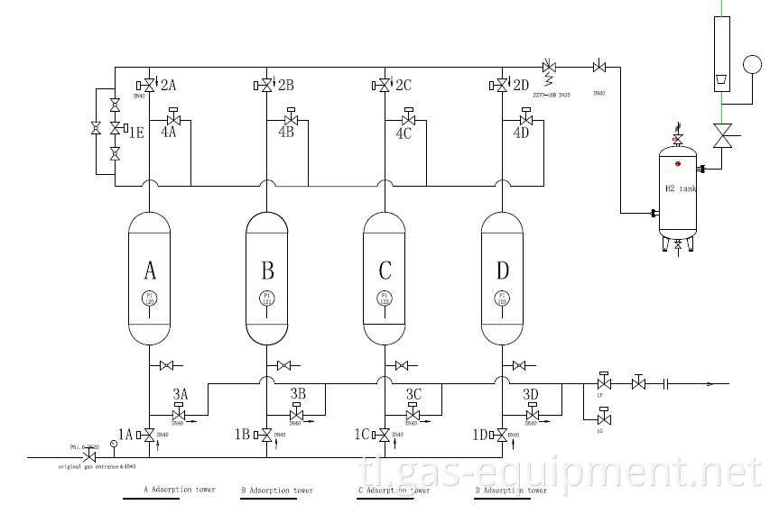
    Ang prinsipyo ng PSA hydrogen generator

    Sa ilalim ng ilang presyon, samantalahin ang kama ng adsorption na binubuo ng maraming sumisipsip tulad ng aktibong carbon, silikon dioxide, molekular na salaan at alumina, ang hydrogen generator ay pumipili ng mga adsorbs ang mga impure na sangkap sa mapagkukunan ng gas na may hydrogen na kasama tulad ng dissociated methanol, gas na inilabas mula sa synthesis Ammonia pool, catalytic cracking dry gas sa langis ng refinery, shift gas, gas gas at semi-water gas sa ilalim ng presyon, habang ang hydrogen na mahirap mag-adsorb ay inilalabas mula sa pagpasok ng adsorption tower bilang produkto ng gas. Samakatuwid, ang paglilinis ng hydrogen ay natanto.


    Ang tsart ng daloy

    Ang paglilinis ng hydrogen sa pamamagitan ng teknolohiya ng swing swing adsorption


    Mga Detalye ng Paghahatid:
    Mga Detalye ng Packaging: Pamantayang packaging ng pag -export
    Mga Detalye ng Paghahatid: Sa loob ng 60-90day pagkatapos matanggap ang deposito

     

    The file is encrypted. Please fill in the following information to continue accessing it

    GET IN TOUCH
    If you have any questions our products or services,feel free to reach out to us.Provide unique experiences for everyone involved with a brand. We've got preferential price and best-quality products for you.
    Please fill in the information
    Please fill in your e-mail
    Please fill in the content
    Bahay> Mga Produkto> PSA hydrogen generator> Ang paglilinis ng hydrogen sa pamamagitan ng teknolohiya ng PSA

    Makipag-ugnay sa

    • Tel: 86-512-65865622
    • Cellphone: 18501506352
    • Email: 18501506352@163.com
    • Address: Building 7, Liando U Valley, No. 25 Datong Road, High tech Zone,Suzhou,Jiangsuzhou China

    Magpadala ng Inquiry

    Magpadala ng Inquiry
    *
    *

    Makikipag -ugnay kami sa iyo kaagad

    Punan ang karagdagang impormasyon upang makapag -ugnay sa iyo nang mas mabilis

    Pahayag ng Pagkapribado: Napakahalaga sa amin ng iyong privacy. Nangako ang aming kumpanya na huwag ibunyag ang iyong personal na impormasyon sa anumang paglawak sa iyong tahasang mga pahintulot.

    Ipadala